WM-1A Weigh Module
Simple loadcell weigh module, suitable for Static weighing systems, such as hoppers, silos and tank weighing systems.
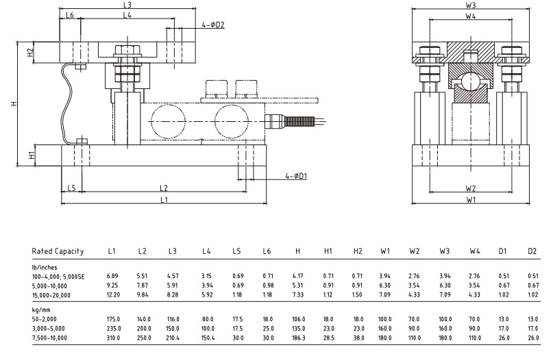
Capacities ranging from 50kg up to 10 tons. Available in Alloy steel or stainless steel construction.
Features
Features:
Compact, simple and easy installation
Self-aligning ball cup assembly on loadcell
Adjustable overload stop and anti-lift bolts
Available capacities: 50,100,250, 500kg / 1,2,3,5,7.5, 10 tons
Operating temperature: -30 to 65 Celsius
Excitation voltage: 5-15V
IP Rating : IP66 or IP68
Cable length: 3/5m
Related Products
Related products
-
Load cell modules & bolt on sensors
WM-8A Silo Weighing Kit
-
Silo weigh displays & Remote monitoring
CTI Silo monitoring cloud Portal
-
Load cell modules & bolt on sensors
Datum Bolt-On Strain Gauge Weighing Sensors
-
Load cell modules & bolt on sensors
WM-1S Weigh Module
-
Load cell modules & bolt on sensors
WM-2A Weigh Module
-
Load cell modules & bolt on sensors
PT Accupoint weigh module
-
Poultry and Animal weighing
Iconix Load bar sets
-
Silo weigh displays & Remote monitoring
Intelia Feed Bin / Silo Scales
-
Medical, Poultry & Animal Weighing
VDI -Automatic Poultry weighing system
-
Silo weigh displays & Remote monitoring
SILOWS Pontos Silo Weighing System
Customer Reviews
“A review from a customer who benefited from your product. Reviews can be a highly effective way of establishing credibility and increasing your company's reputation.”
Customer Name
“A review from a customer who benefited from your product. Reviews can be a highly effective way of establishing credibility and increasing your company's reputation.”
Customer Name











